Problem-Solving Strategy for solving the Instantaneous Power
STEP 1. Instantaneous power can be written as
$p(t)=\frac{V_MI_M}{2}[\cos(\theta_v-\theta_i)+\cos(2wt+\theta_v+\theta_i)]$
PROBLEM:
Note: This post is based on Irwin's Basic Engineering Circuit Analysis 11th ed.
If there are any errors in solution, please let me know in the comments
SOLUTION:
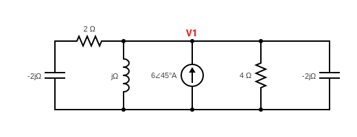
Applying KCL in the top of the node,
$\frac{\mathbf V_1}{2-2j}+\frac{\mathbf V_1}{j}+\frac{\mathbf V_1}{4}+\frac{\mathbf V_1}{-2j}=6\angle45^{\circ}$
$\mathbf V_1=3.394+10.182j=10.733\angle 71.565^{\circ}V$
So the expression for the instantaneous power supplied by the source is
$p(t)=32.2[0.8944+\cos(2wt+116.565^{\circ})]=28.8+32.2\cos(2wt+116.565^{\circ})W$
Related post: Maximum Average Power Transfer


Comments
Post a Comment